TA15鈦合金(Ti-6Al-2Zr-1Mo-1V)主要的強化機制是通過α相穩定元素Al,β相穩定元素Mo、V,和中性元素Zr的固溶強化,屬于高Al當量近α型鈦合金。因此,該合金具有良好的室溫和高溫強度,熱穩定性和可焊性接近于α型鈦合金,工藝塑性接近于α型鈦合金,綜合性能良好。該材料廣泛應用于航空領域,主要用于制造飛機主承力框、接頭、蒙皮、大型整體壁板和發動機加力筒體等[1-2]。但目前航空鈦合金零件一般采用鍛造加機械加工制造,受傳統制造工藝技術束縛,同時鈦合金自身粘性大、加工難度大等原因的影響,現有常規制造技術無法實現大型復雜鈦合金構件的低成本快速制造,制約了鈦合金構件應用范圍。隨著戰斗機作戰使命和性能指標在不斷提升,傳統結構形式已不能滿足發展需求,輕質高效、長壽命、多功能、低成本、快速響應制造是未來機體結構的發展方向[3]。
粉末冶金通常是采用熱等靜壓技術,將填充和密封在模具內的金屬粉末,在高溫高壓下使粉末擴散連接并致密固化,最終燒結成制件產品[4-7]。與傳統成形工藝相對比,粉末冶金技術具有成形能力強、成形件組織均勻致密、成形表面質量好等特點,適合制備大型復雜構型的整體結構件,可實現近凈成形,為實現構件大型整體化制造及復雜構件內表面免加工制造提供了技術途徑,對于航空結構技術的創新發展具有重要意義[8-10]。
目前,對于粉末冶金鈦合金的研究多局限于成形工藝控制及制件靜強度性能,對于成形制件的組織形貌及高周疲勞特性等研究迄今未見報道。粉末冶金技術多用于航天發動機等領域,在航空領域尚未實現應用,為探索其在航空領域應用的可行性,本文研究了粉末冶金TA15鈦合金的微觀組織及高周疲勞性能,分析了疲勞試樣斷口形貌及其內部成形質量對疲勞性能的影響,為粉末冶金TA15鈦合金在航空承力結構件的應用提供參考。
1、試驗方法
試驗所選用的TA15鈦合金原材料粉末是采用等離子旋轉電極工藝制備的球形粉,粉末顆粒尺寸范圍為60~250μm。粉末冶金TA15鈦合金成形工藝參數為在930℃、壓力為130MPa的條件下熱等靜壓3h,去除包套模具材料后,最終制造出尺寸為400mm×150mm×15mm的板狀試驗料。

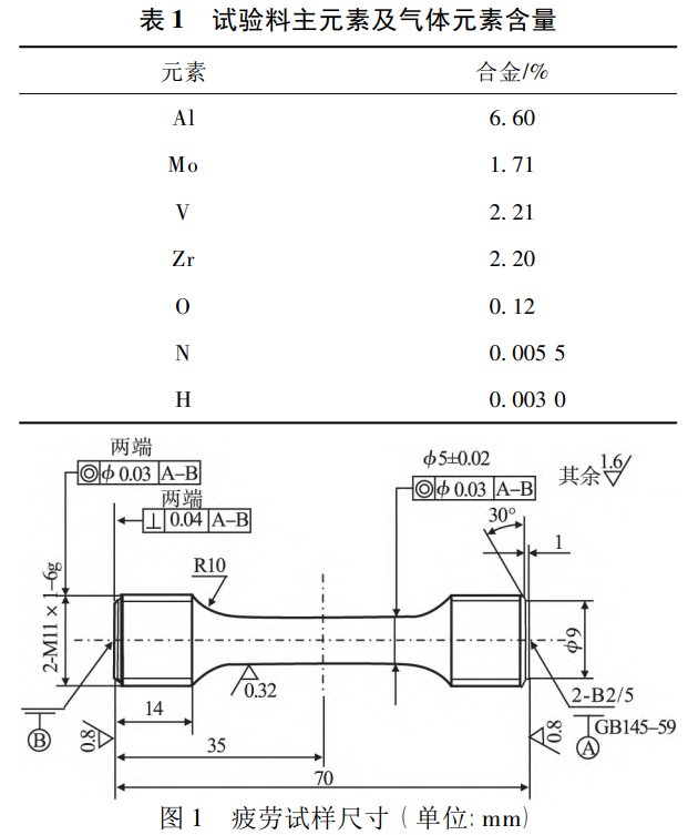
試驗料主元素及氣體元素含量如表1所示。在板狀試驗料上切割出高低倍組織分析、拉伸性能測試和疲勞性能測試試樣。低倍、高倍試樣,經粗磨、精磨、拋光、浸蝕后,采用掃描儀采集低倍照片;采用ZeissAxiover200Mat金相顯微鏡觀察高倍組織。高周疲勞試驗按照HB5287《金屬材料軸向加載疲勞試驗方法》進行,試樣尺寸如圖1所示,載荷為恒幅正弦波形,應力比為R=-1,試驗頻率為110~130Hz。采用SSX-550掃描電鏡(SEM)分析疲勞試樣斷口形貌。
2、試驗結果分析
2.1組織形貌
圖2為粉末冶金TA15鈦合金試樣的低倍組織形貌,可以看出,低倍組織均勻且致密,顆粒較為清晰,無明顯孔隙和裂紋。

圖3為粉末冶金TA15鈦合金試樣的高倍組織形貌,為典型的近α組織,組織由交叉分布的條片狀的α相和相間β相構成,或形成網籃狀組織,在這些組織間分布著細小的等軸α相,細小的等軸α相互毗連,勾勒出的形狀與粉末原始顆粒邊界基本重合,等軸晶內部由厚度和長寬比不一的片狀α相編織而成。由于在熱等靜壓過程中,粉末收縮變形導致再結晶,自粉末顆粒邊界形成等軸α組織,粉末顆粒內部變形較少的組織大部分都為層狀α組織[11]。該組織對應較為均衡的力學性能,強度較高,塑性則更是明顯高于純網籃組織[12]。

2.2高周疲勞性能
按照GB228《金屬拉伸試驗方法》對粉末冶金TA15鈦合金進行了拉伸性能測試,測試結果如表2所示。由表2可以看出,粉末冶金TA15鈦合金具有良好的強韌匹配性。

采用升降法測定的粉末冶金TA15鈦合金疲勞極限為498MPa,與成組法測定的結果擬合成疲勞性能應力-壽命(S-N)曲線,如圖4所示,隨著應力水平增加,疲勞壽命呈下降趨勢;各應力點的疲勞壽命分散性較大,以600MPa應力水平為例,測得的2個試樣的疲勞壽命數據分別為30.7千周和2570千周。

2.3疲勞斷口形貌
由于在600MPa應力水平下測得的2個試樣的疲勞壽命數據相差近2個數量級,因此,對其疲勞試樣進行斷口形貌分析。1#樣品為30.7千周斷裂的疲勞試樣,2#樣品為2570千周斷裂的疲勞試樣。圖5是1#疲勞樣品疲勞斷口宏觀形貌,疲勞裂紋源于圖右下方箭頭所指區域附近,疲勞斷口由疲勞裂紋萌生區、裂紋擴展區和瞬斷區3部分組成,擴展區與瞬斷區的界限比較明顯。

圖6為1#樣品疲勞斷口典型區域的SEM照片。圖6(a)~(c)為疲勞裂紋萌生區的SEM照片,存在形狀不規則的小平面。由圖6(c)可以看到,疲勞源處存在一個明顯的缺陷區域,呈近橢圓形,尺寸約為45μm×35μm。由于缺陷導致局部應力集中,造成高應力區出現,萌生疲勞裂紋。疲勞源常起源于試樣表面應力集中或表面存在缺陷的位置[13]。該缺陷位于靠近試樣表面位置,對裂紋的萌生有較大的影響,致使疲勞壽命下降明顯。缺陷周圍為疲勞裂紋萌生擴展區,呈現較為明顯平面斷裂形貌,存在片層撕裂,形成斷裂小刻面,呈現較為典型的解理斷裂特征。在疲勞裂紋源形成后,繼續循環加載,疲勞裂紋將進一步擴展直至相互連接。初期的短裂紋擴展速率較慢,由于此時的裂紋擴展應力強度因子較小,進而裂紋擴展的驅動力也較小。在短裂紋階段,由于疲勞試驗的壓力比為R=-1,在循環加載條件下,裂紋進行反復的張開和閉合,疲勞斷口表面產生擠壓和摩擦,因此,可以看到裂紋源區比較平整光滑,斷面處有明顯被磨平的痕跡,如圖6(b)所示。同時,在裂紋源周圍,呈現向四周輻射的放射線和臺階,可見疲勞裂紋是沿著具有一定高度差的小平面向周圍擴展。

6(d)~(e)為疲勞裂紋擴展區。擴展段斷面平坦,可以觀察到裂紋源區的解理和沿晶斷口特征。疑似粉末顆粒間在熱等靜壓下相互擴散連接程度不足,未完全形成金屬鍵,造成組織疏松,一定程度上降低了疲勞壽命。由于疲勞裂紋在循環應力作用下,從裂紋源區沿著滑移帶向內部擴展,進入疲勞裂紋擴展階段,循環加載拉應力條件下,裂紋開始張開,裂紋尖端開始鈍化,卸載并進入壓應力階段裂紋開始閉合,裂紋尖端會重新銳化。同時在循環拉壓作用下,裂紋尖端出現應力集中,使得裂紋階段處形成亞穩臨界擴展,出現疲勞條帶。圖6(e)為疲勞裂紋穩定擴展區疲勞條帶形貌,每一條疲勞條帶為一次循環擴展的痕跡,疲勞條帶近似相互平行,疲勞條帶的方向與裂紋擴展的方向垂直。
6(f)為第三階段斷口形貌,其特點是由淺韌窩組成,并伴隨二次裂紋的產生。疲勞二次裂紋一般包含2種類型:一種平行于疲勞條帶分布,具有一定區域性,主要是由于疲勞試樣受到垂直于裂紋擴展方向的剪切撕裂應力作用而形成;另一種二次裂紋垂直疲勞條帶分布,是主裂紋擴展受到較大阻力時產生裂紋分支擴展而形成。由圖6(f)可以看出,二次裂紋多為平行于疲勞條帶分布,該類二次裂紋釋放了主裂紋尖端的應力,可消耗應變能,對于提高試樣疲勞裂紋擴展抗力、降低裂紋擴展速率有利。因此,該類二次裂紋一定程度上提高了試樣的疲勞壽命[14-15]。
圖6(g)和(h)為瞬斷區的斷口形貌SEM照片,瞬斷區是疲勞裂紋擴展到臨界尺寸后,在應力作用下失穩擴展最終試樣斷裂而形成的區域[16-17],該區域呈現大量韌窩和撕裂棱,局部韌窩分布較為均勻,韌窩是疲勞試樣拉斷時形成,顯示為微孔聚集型。由于在疲勞試驗過程中,在應力作用下試樣內部晶粒產生大量的位錯,使得金屬點陣發生嚴重扭曲,裂紋在晶粒內部擴展時較為困難,因此,在晶粒相鄰的邊界處發生較大的塑性變形,形成撕裂棱和韌窩。疲勞試樣瞬斷區的韌窩和撕裂棱,反映了材料斷裂時塑性變形的程度,同時,韌窩和撕裂棱的高度反映了裂紋擴展時消耗的能量大小,通過韌窩和撕裂棱高度可以定性地分析材料的斷裂韌性和止裂能力。該試樣瞬斷區的韌窩和撕裂棱的高度比較高,說明粉末冶金TA15鈦合金材料的韌性較好,與測試的拉伸結果相一致。
圖7是2#疲勞樣品疲勞斷口宏觀形貌,疲勞裂紋源于圖下方圓形區域,經歷慢速(Ⅰ區)、中速(Ⅱ區)2個階段,最后斷裂。

圖8為2#樣品疲勞斷口典型區域的SEM照片。圖8(a)和(c)為疲勞裂紋萌生區的SEM照片,疲勞源為次表面形核裂紋,裂紋源處存在2個形狀不規則的小平面;由圖8(c)可以看到,其中一個形狀不規則的小平面處存在一橢圓形缺陷。圖8(d)為疲勞裂紋源附近區域的高倍,可見呈類似準解理形貌,并產生二次裂紋,該類二次裂紋與主裂紋垂直的方向向下擴展,可對主裂紋尖端處應力進行釋放,消耗部分應變能,一定程度減緩主裂紋擴展,有利于降低裂紋的擴展速率,提升疲勞壽命。圖8(e)和(f)為疲勞裂紋穩態擴展區域的形貌,存在大量疲勞輝紋。圖8(g)和(h)為瞬斷區斷口形貌,主要由淺韌窩組成。

對比1#樣品與2#樣品的斷口形貌可以看出,疲勞裂紋均萌生于試樣近表層的缺陷部位。因為疲勞試樣近表面晶粒處的晶粒在應力作用下,受約束環境與內部晶粒不同,在疲勞試驗過程中試樣表層與內部會有較大的力學性能差異,因此試樣近表層易于形成疲勞裂紋。1#樣品的缺陷更為明顯,且缺陷尺寸較大,容易發生裂紋萌生;裂紋形核位置更主要地取決于尺寸較大缺陷的位置[18]。因此,1#試樣的疲勞壽命相對比2#試樣明顯偏低。

進一步觀察其它疲勞壽命較低的試樣斷口形貌,疲勞源均存在疑似缺陷的區域,見圖9。缺陷尺寸不大于100μm,缺陷內部呈粗糙狀,不同于氣孔類缺陷的內壁光滑形貌,分析其形成原因,疑是大顆??招姆墼斐?。因粉末冶金的原材料粉末采用等離子旋轉電極工藝制備的球形粉,粉末顆粒尺寸范圍為60~250μm,該工藝制備的粉末容易在內部產生閉合空隙,內含有一定量的Ar氣體[19],氣體存在于粉體內部的空心中,在熱等靜壓過程中這些空心無法排除[11],形成缺陷。為進一步驗證分析結論,采用流體靜力學方法測得粉末冶金TA15鈦合金試驗料的室溫密度為4422kg/m,約為同牌號材料鍛件密度的99.37%。結果表明,粉末冶金TA15鈦合金試驗料未達到完全致密化,內部存在微小空隙及組織疏松,這些缺陷對材料的疲勞性能造成不利影響,一定程度上成為該疲勞性能數據分散性較大的根源。
3、結論
(1)粉末冶金TA15鈦合金低倍組織呈均勻的顆粒團聚狀,高倍組織由細小的等軸晶組成,晶界不明顯;等軸晶內部由厚度和長寬比不一的片狀α相編織而成。
(2)粉末冶金TA15鈦合金具有較高的高周疲勞強度,疲勞極限為498MPa;各應力點的疲勞壽命分散性較大。
(3)粉末冶金TA15鈦合金疲勞斷口裂紋萌生源均存在微小空隙及組織疏松等缺陷,缺陷尺寸不大于100μm,疑是大顆??招姆墼斐?,該類缺陷對材料的疲勞性能照成不利影響。
參考文獻(References)
[1]《中國航空材料手冊》編輯委員會.中國航空材料手冊.第 5卷: 粉末冶金材料精密合金與功能材料[M].北京: 中國標準 出版社,2002.
[2] 王向明,劉文珽.飛機鈦合金結構設計與應用[M].北京: 國防 工業出版社,2010.
[3] 孫聰,王向明.現代戰斗機機體結構特征分析[M].北京: 航空 工業出版社,2007.
[4] 曲選輝,張國慶,章林.粉末冶金技術在航空發動機中的應用 [J].航空材料學報,2014,34 ( 1) : 1-10.
[5] 黃世民.粉末冶金技術的應用與發展[J].航空工藝技術,1999( 4) : 36-38.
[6] 李海泓,孫慧.鈦合金粉末冶金技術研究[J].四川兵工學報,2015,36( 8) : 89-91.
[7] WANG C F,CAI Q,LIU J X. Strengthening mechanism of lamellar-structured Ti-Ta alloys prepared by powder metallurgy[J].Journal of Materials Research and Technology,2022,21:2868-2879.
[8] 葉呈武,王亮,張緒虎,等.鈦合金 HIP 近凈成形技術在航天 上的應用[J].材料導報,2012,26( 12) : 112-114.
[9] 王冰,紀瑋,鄧太慶,等.TA15 粉末冶金產品熱等靜壓成形工 藝過程的數值模擬[J].宇航材料工藝,2017( 4) : 19-22.
[10]WANG Z,TAN Y N,LI N.Powder metallurgy of titanium alloys:A brief review[J]. Journal of Alloys and Compounds,2023,965: 171030.
[11]徐正,張緒虎,徐桂華.工藝制度對粉末 TA15 鈦合金組織性 能的影響[J].宇航材料工藝.2021,51( 1) : 76-80.
[12]郎利輝,喻思,姚松,等.熱等靜壓法制備 TC11 鈦合金及其粉-固擴散連接件的組織與性能[J].粉末冶金材料科學與工 程,2015,20( 4) : 548-554.
[13]林翠,杜楠.鈦合金選用與設計[M].北京: 化學工業出版社,2014.
[14]王洋,張述泉,劉長猛,等.激光熔化沉積 TC18 鈦合金組織及 缺口高周疲勞性能[J].金屬熱處理.2013,38( 5) : 10-13.
[15]任宇航,劉佳蓬,楊光,等.激光沉積 TA15 鈦合金疲勞裂紋擴 展行為研究[J].應用激光,2020,40( 2) : 199-204.
[16]王金雪,袁鴻,余槐,等.大厚度 TC4-DT 鈦合金電子束接頭的 高周疲勞性能[J].航天制造技術,2016.6( 3) : 5-9.
[17]許良,黃雙君,王磊,等.激光沉積修復 TA15 鈦合金疲勞性能 [J].稀有金屬材料與工程.2017,46( 7) : 1943-1948.
[18]賀瑞軍,王華明.激光沉積 Ti-6Al-2Zr-Mo-V 鈦合金高周疲勞 性能[J].航空學報,2010,31( 7) : 1488-1493.
[19]戴煜,李禮.等離子旋轉霧化制備航空用 3D 打印金屬粉體材 料研究[J].新材料產業,2016,( 8) : 57-63.
相關鏈接
- 2025-01-17 航空航天工程TA15鈦合金廣域溫度下的力學性能
- 2024-10-13 不同退火工藝對激光沉積修復TA15鈦合金顯微組織及力學性能的影響
- 2024-10-11 軋制工藝對TA15鈦合金板微觀組織及拉伸力學性能的影響
- 2024-07-22 激光選區熔化成形工藝對TA15鈦合金內部缺陷與力學性能的影響
- 2024-07-08 工業生產TA15鈦合金的組織與拉伸性能分析
- 2024-06-27 海洋工程航天航空用TA15鈦合金薄板組織與拉伸性能
- 2024-05-08 TA15鈦合金棒材不同部位的組織與拉伸性能的差異
- 2024-04-29 TA15鈦合金大鍛件兩種模鍛工藝的組織性能對比研究
- 2024-04-10 工藝制度對粉末TA15鈦合金組織性能的影響
- 2024-04-06 焊后熱處理對TA15鈦合金厚板焊接接頭彎曲性能的影響

